
Rotary valves are known for their ability to deliver continuous, controlled feeding while maintaining excellent airlock sealing performance. This makes them a critical component in pneumatic conveying systems, silo discharge, and dosing applications. Their compact structure, ease of automation, and relatively simple maintenance further enhance operational reliability.
Rotary valves are widely used in:
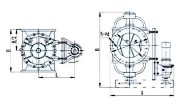
The ZR rotary valve is designed for high-performance bulk-solids handling, offering excellent sealing properties and low air leakage. Engineered with proprietary technologies, it provides reliable operation even under complex material conditions. ZR rotary valves are available in two material options: ZR-S (stainless steel) and ZR-C (carbon steel). Depending on operating conditions and material characteristics, various combinations of materials and surface treatments can be selected to meet different technical and performance requirements.
The ZH high-pressure rotary valve is developed for dense-phase pneumatic conveying. It supports high-pressure, long-distance conveying and is ideal for systems requiring minimal air consumption and robust sealing.
Both types are widely used in pneumatic conveying systems across industries such as petrochemicals, pharmaceuticals, power generation, construction materials, food and feed processing, and metallurgy and mining.
The ZR-S model is a stainless steel rotary valve designed for cleanroom and hygienic applications within the ZR series. It is widely used in pneumatic conveying systems across industries requiring strict hygiene and corrosion resistance, including plastics, resins, chemicals, food processing, and pharmaceuticals.
To meet the demands of various materials and operating conditions, the housing and rotor components can be customized with different material combinations and surface treatments. Available in internationally recognized grades such as 304, 304L, 316, and 316L stainless steel, the ZR-S valve ensures compliance with stringent industry standards while maintaining durability and performance in specialized environments.
The AZR rotary valve is designed for pneumatic conveying and discharging of abrasive materials. To enhance durability and reduce wear, both the rotor blades and housing undergo abrasion-resistant treatment. This model is ideal for handling materials with high friction properties and is available in both carbon steel and stainless steel, each capable of being customized with wear-resistant coatings or surface treatments to suit various demanding industrial environments.
| Model | Bore (inch) | Rotor Capacity (L/rev) | Flange Face to Face H (mm) | Length L (mm) | Weight (kg) |
|
|
6 | 4.3 | 330 | 485 | 78 |
|
|
8 | 6.6 | 350 | 524 | 112 |
|
|
10 | 12.6 | 420 | 583 | 165 |
|
|
12 | 22.3 | 490 | 678 | 254 |
|
|
14 | 41.5 | 585 | 781 | 406 |
|
|
16 | 59 | 645 | 843 | 504 |
|
|
18 | 80 | 700 | 944 | 640 |
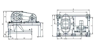
The SRV blow-through rotary valve is an advanced model developed with multiple patented technologies, tailored for pneumatic conveying applications involving fine or sticky materials. Featuring a top feed inlet and integrated air inlet/outlet ports on the end covers, the valve ensures smooth discharge while minimizing material buildup. Its self-cleaning internal cavity makes it ideal for conveying clean or sanitary materials. Additionally, the direct connection between the end cap ports and the conveying pipeline reduces installation height and saves space. This model is available in various material options to accommodate different operational needs.
| Model | Drive Motor (kW) | Rotor Capacity (L/rev) | L1 | L2 | B1 | H0 | n-Ød1 | H | H1 | ØK | Weight (kg) |
|
|
0.55 | 1.7 | 643 | 516 | 443 | 318 | 8-Ø22 | 193 | 121 | 40 | 80 |
|
|
0.55 | 3.2 | 740 | 600 | 495 | 358 | 8-Ø22 | 213 | 128 | 50 | 111 |
|
|
0.75 | 4.8 | 812 | 712 | 635 | 435 | 8-Ø22 | 273 | 173 | 65 | 150 |
|
|
1.1 | 10 | 850 | 750 | 635 | 505 | 8-Ø22 | 310 | 185 | 80 | 195 |
|
|
1.1 | 16.2 | 946 | 840 | 702 | 565 | 12-Ø22 | 336 | 186 | 100 | 237 |
|
|
1.5 | 28.4 | 1016 | 910 | 794 | 630 | 12-Ø22 | 370 | 216 | 125 | 315 |
|
|
2.2 | 41.4 | 1141 | 1030 | 881 | 720 | 16-Ø22 | 421 | 236 | 150 | 467 |
|
|
3 | 60.4 | 1276 | 1115 | 1016 | 820 | 16-Ø26 | 483 | 278 | 175 | 670 |
|
|
4 | 78.8 | 1363 | 1230 | 1080 | 890 | 20-Ø26 | 510 | 280 | 200 | 875 |
|
|
5.5 | 139.4 | 1422 | 1280 | 1283 | 1051 | 20-Ø26 | 602 | 324 | 225 | 1136 |
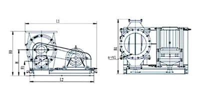
The GR standard rotary valve is developed based on pneumatic conveying technology introduced from Sanshin Air Co., Ltd. in Japan. Known for its wide applicability and reliable performance, this model features an externally mounted bearing structure and offers multiple options for shaft sealing to suit different working conditions. Its adaptable design makes it suitable for a broad range of bulk-solids handling applications across industries.
| Model | Bore (inch) | Rotor Capacity (L/rev) | Drive Motor (kW) | Dimensions (mm) | Weight (kg) | ||||||||||||
| A | A1 | B | B1 | E | F | H | H1 | H2 | R | L | L1 | L2 | |||||
|
|
5 | 1.8 | 0.37 | 570 | 255 | 805 | 220 | 655 | 420 | 716 | 420 | 183 | 280 | 390 | 180 | 270 | 102 |
|
|
5 | 2.8 | 0.37 | 570 | 245 | 805 | 220 | 655 | 420 | 736 | 420 | 183 | 300 | 390 | 180 | 270 | 118 |
|
|
6 | 4.3 | 0.37 | 570 | 230 | 805 | 220 | 655 | 450 | 796 | 450 | 188 | 330 | 390 | 200 | 300 | 140 |
|
|
8 | 6.6 | 0.75 | 680 | 285 | 1020 | 270 | 870 | 450 | 820 | 450 | 167 | 350 | 490 | 320 | 480 | 160 |
|
|
10 | 12.6 | 0.75 | 730 | 300 | 1090 | 305 | 940 | 500 | 940 | 500 | 191 | 420 | 525 | 330 | 520 | 200 |
|
|
12 | 22.3 | 1.5 | 820 | 350 | 1300 | 355 | 1150 | 550 | 1063 | 550 | 245 | 490 | 625 | 370 | 530 | 310 |
|
|
12 | 31.4 | 1.5 | 910 | 350 | 1300 | 355 | 1150 | 550 | 1119 | 550 | 221 | 545 | 625 | 370 | 530 | 400 |
|
|
14 | 41.5 | 2.2 | 960 | 380 | 1350 | 380 | 1200 | 620 | 1233 | 620 | 270 | 585 | 650 | 400 | 550 | 425 |
|
|
16 | 59 | 2.2 | 1020 | 415 | 1410 | 410 | 1260 | 650 | 1323 | 650 | 278 | 645 | 680 | 480 | 720 | 520 |
|
|
18 | 80 | 4.0 | 1140 | 440 | 1450 | 430 | 1250 | 700 | 1431 | 700 | 303 | 700 | 710 | 500 | 800 | 650 |
The AGR rotary valve is designed for conveying abrasive powders. It features a replaceable internal liner within the housing, significantly extending service life and simplifying maintenance. This design makes it particularly suitable for handling highly abrasive materials in continuous or heavy-duty Bulk-solids transfer applications.
| Model | Bore (inch) | Rotor Capacity (L/rev) |
Drive Motor (kW) |
Flange Face to Face H (mm) |
Length L (mm) | Weight (kg) |
|
|
6 | 4 | 0.37 | 330 | 560 | 70 |
|
|
8 | 6 | 0.75 | 350 | 670 | 105 |
|
|
10 | 11 | 0.75 | 420 | 720 | 135 |
|
|
12 | 19 | 1.5 | 490 | 792 | 225 |
|
|
12 | 27 | 1.5 | 545 | 954 | 300 |
|
|
14 | 37 | 2.2 | 585 | 986 | 355 |
|
|
16 | 50 | 2.2 | 645 | 1036 | 430 |
|
|
18 | 70 | 4 | 700 | 1166 | 575 |
The MGR, MAGR, and MGRS series are engineered to meet diverse installation requirements. These hanging-type rotary valves feature a side-mounted gear motor directly connected to the main body via a mounting plate, eliminating the need for a base frame. This design reduces the overall installation footprint, making it ideal for space-constrained environments.
| Model | Bore (inch) | Rotor Volume (L/rev) | Drive Motor (kW) | Dimensions (mm) | Weight (kg) | ||||||
| A | B | H | L | C | D | N-Ød | |||||
|
|
5 | 2.8 | 0.37 | 540 | 533 | 300 | 325 | 210 | 250 | 8-Ø23 | 70 |
|
|
8 | 6.6 | 0.75 | 630 | 670 | 350 | 370 | 290 | 330 | 12-Ø23 | 115 |
|
|
10 | 12.6 | 0.75 | 745 | 720 | 420 | 425 | 355 | 400 | 12-Ø25 | 160 |
|
|
12 | 22.3 | 1.5 | 825 | 792 | 490 | 462 | 400 | 445 | 16-Ø25 | 240 |
|
|
12 | 31.4 | 1.5 | 825 | 954 | 545 | 465 | 400 | 445 | 16-Ø25 | 330 |
|
|
14 | 41.5 | 2.2 | 900 | 986 | 585 | 500 | 445 | 490 | 16-Ø25 | 390 |
Have a question or project in mind? Send us a message and our team will get back to you promptly.